出軸方式:提供單扁、雙扁、鍵槽、滾齒等多種出軸方式;
引線方式:根據不同的應用需求,提供定制化的繞線及出線方式;
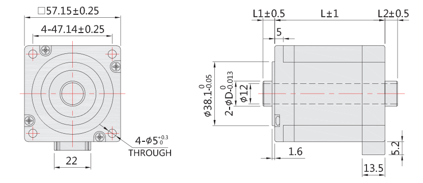
使用時注意公差配合,電機與驅動器連接時,請勿接錯相。



15817488109
步進電機不是恒轉矩電機,運行轉速越高輸出轉矩會越小,所以關注電機保持轉矩參數的同時更應當關注在實際,工作轉速下電機的輸出轉矩(可參考動態力矩曲線圖);并且我們建議預留1.5倍的余量,以免出現過載情況下步進電機丟步的現象。
型號 | 保持力矩 (N.m) | 額定電流 (A) | 轉動慣量 (g.cm2) | 機身長 (mm) | 出軸內徑 (mm) | 推薦驅動器 |
SMK2302 | 1.10 | 4.2 | 280 | ≤56.0 | 12.0 | S-245D 24-48VDC |
SMK2304 | 1.80 | 4.2 | 440 | ≤76.0 | 12.0 |
以上列表的“推薦驅動器”為脈沖型步進電機驅動器,還可以為客戶提供:
總線型步進驅動器(RS485、CANopen、EtherCAT等通訊控制);智能型步進驅動器(電位器調速、內置PLC編程等功能)。

上一款產品:42mm二相中空軸步進電機
下一款產品:42mm一體式脈沖型步進電機